J9九游会

当前位置: 首页>J9九游会>J9九游会>信息公开年报
J9九游会2022年J9九游会工作年度报告
分享到:
发布日期:2023-01-16

一、总体情况

按照《中华人民共和国J9九游会条例》有关规定,编制本年度报告。本报告数据统计期限为2022年1月1日至2022年12月31日。

(一)概况

2022年,J9九游会坚持以席大大新时代中国特色社会主义思想为指导,深入学习宣传贯彻党的二十大精神,认真落实党中央、国务院和省委、省政府关于政务公开工作的决策部署,紧紧围绕药品监管职责和重点工作任务,推进高质量政务公开,切实保障广大人民群众知情权。

一是加大公开力度。省局网站发布时政要闻、疫情防控、药械化监管、通知公告等相关信息3500余条,网站浏览量累计220万人次。通过微信、微博等政务新媒体发布信息7600余条,关注量和订阅数达17万。

二是加强政策解读。为保障疫情期间防疫药械供应,提高审评审批效率,推动医药产业创新发展,围绕《四川省J9九游会娱乐快速审评审批办法》《J9九游会关于进一步促进医药产业创新发展的若干措施(试行)》等14个文件进行政策解读,确保群众更好地知晓、理解药品监管相关政策。

三是及时回应关切。加强互动交流,及时办理网民留言,全年收到局长信箱、问政四川、麻辣社区等留言185条,均按期进行回复。围绕进一步做好J9九游会娱乐生产报告相关事项、促进中药材及饮片市场健康发展等工作,向社会公开征求意见18次,并及时公示意见征集情况。

(二)依申请公开办理情况

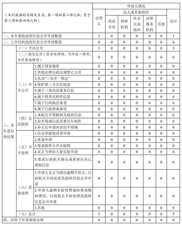
提升依申请公开服务能力,畅通受理渠道,提升服务水平,加强与申请人沟通,做好解疑释惑工作。2022年,共收到依申请公开事项3件,均在规定期限内回复。

(三)政府信息管理情况

切实加强信息公开监督保障,进一步健全内容审核和信息发布审核机制。坚持“谁公开谁审查、谁审查谁负责、先审查后公开”的信息发布原则,确保网站、政务新媒体等发布信息正确、准确。

(四)平台建设情况

坚持以平台建设为抓手,统筹推进J9九游会工作,不断增强J9九游会工作实效。进一步落实《政府网站发展指引》《国务院办公厅关于推进政务新媒体健康有序发展的意见》要求,聚焦信息公开、解读回应、互动办事等功能定位,不断优化完善政务服务功能。

(五)监督保障情况

加强网站及政务新媒体日常运行管理及网络安全管理,建立安全监测预警机制,开展应急演练,全年进行安全监测评估12次。严格信息审核把关,加大检查力度,突出信息发布及时性、准确性,确保日常运维和建设管理符合规范要求。

二、主动公开政府信息情况

三、收到和处理J9九游会申请情况

四、J9九游会行政复议、行政诉讼情况

/data/home/user/旧电脑文件/原E(文档)盘文件/2023年/网站建设/J9九游会2022年J9九游会工作年度报告/最后一个/DOC 文档_01.pngDOC 文档_01

五、存在的主要问题及改进情况

2022年,J9九游会政务公开工作有力有序推进,但仍存在一些薄弱环节。一是思想认识还有待提高,存在主动公开不及时的现象。二是栏目更新还有待加强,紧盯时政动态、重点工作设置新栏目还不够。三是方式方法还有待完善,在宣传报道、政策解读等方面多以文字、图片为主,内容和形式仍需进一步丰富。

下一步,我局将加大政务公开力度,定期对内容是否及时更新、信息是否准确、要素是否齐全等情况开展自查,做到安全规范高质量运行。加强J9九游会平台建设,丰富公开渠道,提升服务水平,及时准确传递药品监管信息,保障人民群众知情权。

六、其他需要报告的事项

2022年,我局在办理依申请公开工作中,未向申请人收取任何费用。

TOP打印本页关闭窗口
国家药品监督管理局四川省人民政府四川省市场监督管理局
J9九游会 主办
办公地址:成都市玉沙路98号A区 邮编:610017 值班电话:028-86785861 86785160
备案号:蜀ICP备19004851号 网站标识码:5100000025 川公网安备 51010402000507号